
磁致伸缩(磁悬浮)科技原理
磁致伸缩 (Absopos) 的运作原理是通过分析二个磁场互相感应的反馈信号而达致。磁场是利用一个磁铁在传感器外壳上运行。第二磁场是由脉冲产生器产生。当两个磁场互相感应,一个值的位置信号便会以超声波速度反馈。精密电路系统便会对超声波的波形进行分析,继而输出一个精确和分辨率较高的位置信号。这个值测量方法保证了传感器可以在系统通电后马上提供位置信号,让机器可以实时进入生产状态。
磁致伸缩传感器的优势
>> 磁致伸缩位移传感器采用非接触式超声波测量技术。能提供较佳的线性值的位置测量。
>> 铝成型外壳能配合多种形式的磁铁滑块进行非接触式测量。
>> 直接取替电阻式电位器,而无须机械修改。
>> 开放式导轨型外壳设计能减少因安装失误而损坏传感。
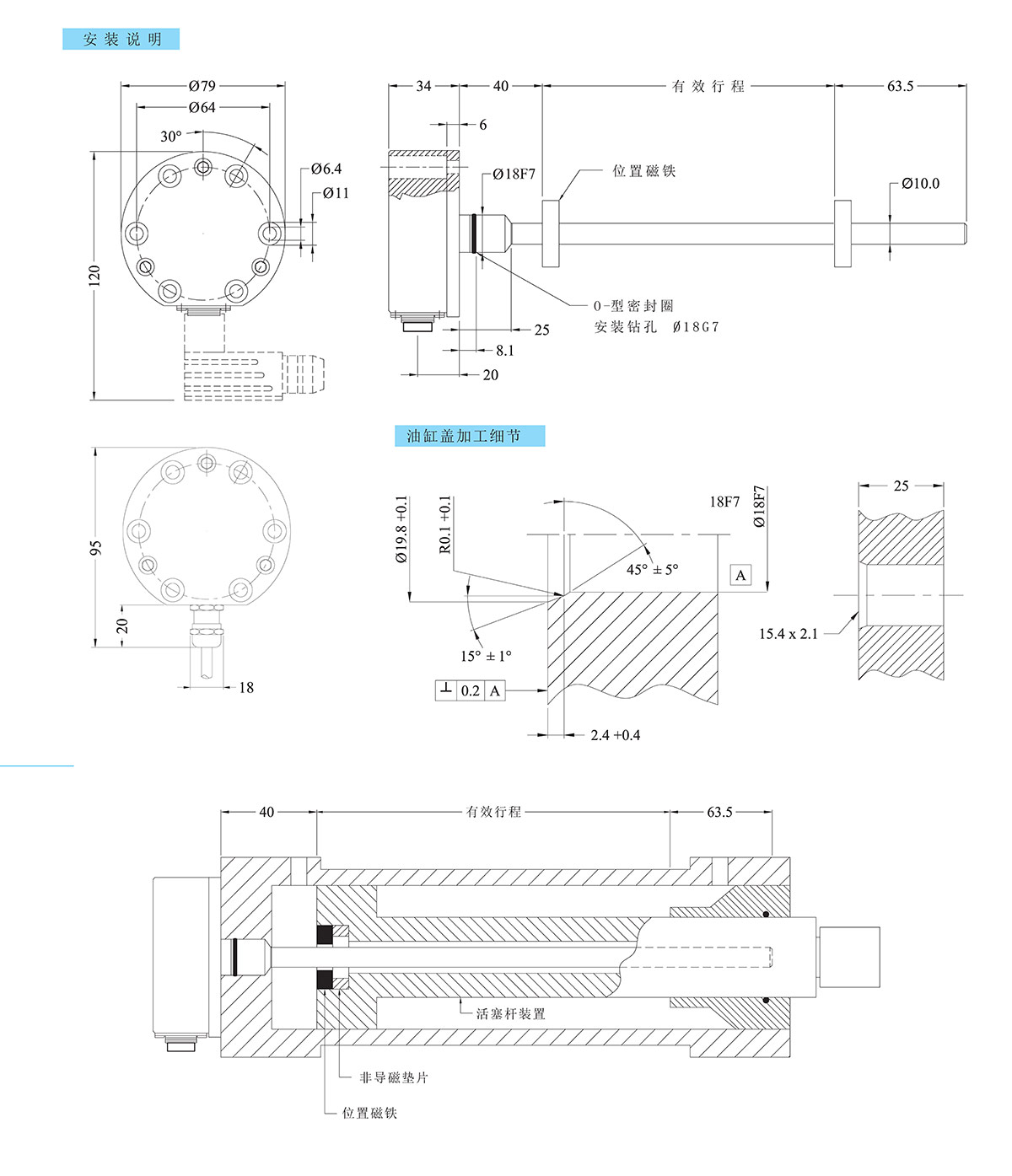
产品简介:
16系列磁致伸缩位移传感器是采用非接触式磁致伸缩测量技术,是专为U型吊环液压缸又或是受空间限制的紧凑液压缸而设计。它的位置值被编码成模拟输出或SSI的二进制码或格雷码并且通过串行的RS422标准传送到控制器。配合精确液压缸及控制阀便组成一个高标准的闭环控制系统。
在产品的性能上是采用非接触式磁悬浮测量技术。此技术能提供精准、可靠性、稳定性、直接值的位移输出。非接触式设计不但方便安装,而且能消除所有工作磨损而带来的误差,无须重新标定,无须定期维护。传感器全为不锈钢制造,电子部分为IP67等,使电子模块受到较佳的抗震,防尘和防潮保护。
德敏哲16系列(SSI)同步串行输出信号是经济,而能达到较高抗干扰性的数字信号输出。SSI同步串行信号输出Synchronous Serial Interface,由两组RS422差分信号组成,由接收信号端控制器发送开始——中断的时钟脉冲,触发器设备返回另一组数据信号,每一个时钟周期对应一位数据,在接收端控制器中“同步”读取。
Germanjet 16系列输出信号有以下几类:
1、16001系列:0-10V电压输出;
2、16011系列:10-0V电压输出;
3、16101系列:4-20mA电流输出;
4、16111系列:20-4mA电流输出;
5、162系列:SSI同步串连输出;
用户可根据电脑控制器接口类型选择适合的输出信号。
应用行业领域:
●注塑机械
●吹瓶机械
●压铸机械
●液压机械设备
●橡胶成型机械
●压砖机械
●医疗设备器械
●油漆喷雾器
●金属/木工机械
●汽车与行走机械
●矿山设备机械
●轻轨/专用车辆
●桥梁工程
●更多…………
规格参数: